• mappa del sito
  • Italiano
  • English

Mechanical: 1502A


  • Lift with self supporting baseframe for easier installation on poor quality floor surfaces
  • Pads with a min.height of 90 mm. only. Three stage short and long arms enabling the asymmetric loading of wide and longer vehicles: recommended for the lifting of off-road vehicles
  • High resistance chain transmission, pre-stretched, with control safety device upon looseness
  • Permanent and automatic screw lubrication
  • Specially manufactured high performing motor fitted with overheating & overload protection switch
  • Operation: electro-mechanical
  • Specially manufactured motor fitted with overheating & overload protection switch
  • Steel high resistance rolled screw to provide long life
  • Nylatron GSM main nut with high resistance to wear for greater safety
  • Automatic locking & unlocking of arms during on floor
  • Dead man controls, 24V
  • Arms suitable for quick drop-in extensions

OPTIONAL

  • Lifting pad extensions (4 pcs set)
  • Kit energy: tool support, air connection and electric power plug


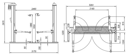
Technical data 1502A
Capacity 2.500 kg
Weight 620 kg
Lifting/descent 55 s
Lifting height 1890 mm
Motore 4 kW - 3 ph 230-400V/50 Hz

The manufacturing Company reserves the right to make modifications to its machines at any time without notice.





zoom TECHNICAL DRAW: 1502A

1502A